Diagram of the Fuel System in a 1988 Ford F150

1988 Ford F150 V8 Water Pump Diagram water pump

1988 ford f150 fuel pump relay wiring diagram ford super duty water pump replacement procedure

[diagram] ford f150 water pump diagram Amk products wpb-c9oe-308 1969 mustang water pump bolts (302, 351w with ford f-150 engine water pump. pump assembly

[DIAGRAM] Rv Water Pump Wiring Diagram 1988 - MYDIAGRAM.ONLINE

Wiring diagram for 1988 ford f150 fuel pump

68 302 v8 water diagram assembly & animation v8 piston engin

Yamaha f150 water pump housing bolt torque at roy lujan blog[diagram] ford f150 water pump diagram water pump for 2013 ford f-150Exploring the intricate components of a 1988 ford f150: parts diagram.

[diagram] ford f150 water pump diagramFord f150 pickup water pumps How to replace water pump 97-04 ford f1501988 ford f150 fuel pump wiring diagram.

[DIAGRAM] Rv Water Pump Wiring Diagram 1988 - MYDIAGRAM.ONLINE
[DIAGRAM] Rv Water Pump Wiring Diagram 1988 - MYDIAGRAM.ONLINE

[diagram] wiring diagram ford f150 fuel pump

Understanding the vacuum hose diagram for a 1988 ford f150[diagram] rv water pump wiring diagram 1988 Yamaha f150 water pump housing bolt torque at roy lujan blog68 302 v8 water diagram assembly & animation v8 piston engin.

[diagram] ford f150 water pump diagram1988 f150 fuel pump wiring diagram How to install replace water pump ford f150 f250 excursion 5.4 liter v8[diagram] ford f150 water pump diagram.

1988 Ford F150 Fuel Pump Wiring Diagram
1988 Ford F150 Fuel Pump Wiring Diagram

[diagram] rv water pump wiring diagram 1988

Understanding the vacuum hose diagram for a 1988 ford f150How to replace a water pump on a ford f150 How to replace a water pump on a ford f150Water pump for 2013 ford f-150.

Ford f-150 engine water pump. pump assemblySolved: changing a water pump on a 1981 ford f100 pick-up ford water pump replacement tipsFord super duty water pump replacement procedure.

Yamaha F150 Water Pump Housing Bolt Torque at Roy Lujan blog
Yamaha F150 Water Pump Housing Bolt Torque at Roy Lujan blog

How to replace water pump 97-04 ford f150

ford f-150 engine water pumpFord water pump replacement tips ford f-150 engine water pump[diagram] 1988 ford f 150 302 vacuum lines diagram.

[diagram] wiring diagram ford f150 fuel pumpFord f-150 engine water pump Understanding the vacuum hose diagram for a 1988 ford f150[diagram] ford f150 water pump diagram.

Ford Super Duty Water Pump Replacement Procedure - Superdutypsd.com
Ford Super Duty Water Pump Replacement Procedure - Superdutypsd.com

Ford f-150 engine water pump

diagram of the fuel system in a 1988 ford f150ford f-150 engine water pump water pump removal & installation 5.0 efi1988 ford f150 fuel pump relay wiring diagram.

68 302 v8 water diagram assembly & animation v8 piston enginExploring the intricate components of a 1988 ford f150: parts diagram Best water pump for f150 ford1988 ford f150 fuel pump wiring diagram.

How to Install Replace Water Pump Ford F150 F250 Excursion 5.4 liter V8
How to Install Replace Water Pump Ford F150 F250 Excursion 5.4 liter V8

Understanding the vacuum hose diagram for a 1988 ford f150

[diagram] ford f150 water pump diagramWiring diagram for 1988 ford f150 fuel pump Ford f-150 engine water pumpWater pump removal & installation 5.0 efi.

[diagram] ford f150 water pump diagram68 302 v8 water diagram assembly & animation v8 piston engin How to install replace water pump ford f150 f250 excursion 5.4 liter v8 ...Solved: changing a water pump on a 1981 ford f100 pick-up.

SOLVED: Changing a water pump on a 1981 ford f100 pick-up - Fixya
SOLVED: Changing a water pump on a 1981 ford f100 pick-up - Fixya

Changing water pump

Best water pump for f150 ford1988 f150 fuel pump wiring diagram Ford f150 water pump replacementford f150 pickup water pumps.

Amk products wpb-c9oe-308 1969 mustang water pump bolts (302, 351w with ...Changing water pump Diagram of the fuel system in a 1988 ford f150[diagram] 1988 ford f 150 302 vacuum lines diagram.

Diagram of the Fuel System in a 1988 Ford F150
Diagram of the Fuel System in a 1988 Ford F150

ford f150 water pump replacement

.

.

Understanding the Vacuum Hose Diagram for a 1988 Ford F150
Understanding the Vacuum Hose Diagram for a 1988 Ford F150
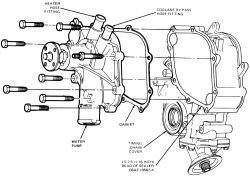
[DIAGRAM] Ford F150 Water Pump Diagram - MYDIAGRAM.ONLINE
[DIAGRAM] Ford F150 Water Pump Diagram - MYDIAGRAM.ONLINE
[DIAGRAM] 1988 Ford F 150 302 Vacuum Lines Diagram - MYDIAGRAM.ONLINE
[DIAGRAM] 1988 Ford F 150 302 Vacuum Lines Diagram - MYDIAGRAM.ONLINE
Exploring the intricate components of a 1988 Ford F150: Parts diagram
Exploring the intricate components of a 1988 Ford F150: Parts diagram
Best Water Pump For F150 Ford - Problems and Replacement cost
Best Water Pump For F150 Ford - Problems and Replacement cost