87 Mustang Wiring Diagram

1987 Mustang Engine Wiring Diagram 87 Mustang Wiring Diagram

mustang faq Free ford mustang wiring diagrams

1987 ford mustang wiring diagram database Mustang faq 87 mustang wiring diagram

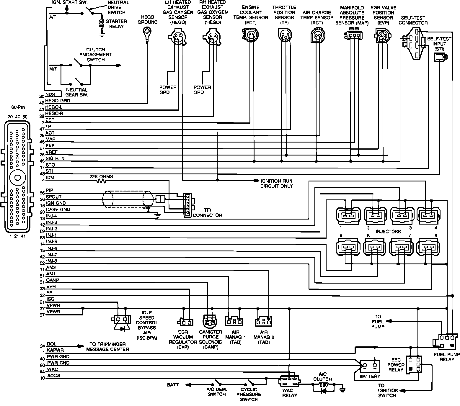
Electrical Diagrams — 1987 Ford Mustang V8-302 5.0L HO Service Manual

2.3l efi wiring help

How to install fox body mustang classic update wiring kit (87-93)

mustang faqMustang faq [diagram] ford mustang four cylinder engine wire diagram full version ...87 mustang wiring diagram.

1987 ford mustang large format wiring diagrams manualElectrical diagrams — 1987 ford mustang v8-302 5.0l ho service manual ... 87 mustang wiring diagramMustang faq.

87 Mustang Wiring Diagram - Wiring Diagram
87 Mustang Wiring Diagram - Wiring Diagram

87 mustang alternator wiring diagram pdf

1987 ford mustang wiring diagram database1987-1993 mustang instrument cluster wiring diagram 87 mustang wiring diagram87 mustang wiring diagram.

1987 ford mustang alternator wiring diagram87 mustang wiring diagram Electrical diagrams — 1987 ford mustang v8-302 5.0l ho service manual[diagram] fox body mustang wiring diagram.

Electrical Diagrams — 1987 Ford Mustang V8-302 5.0L HO Service Manual
Electrical Diagrams — 1987 Ford Mustang V8-302 5.0L HO Service Manual

Free ford mustang wiring diagrams

mustang faq87 mustang wiring diagram [diagram] fox body mustang wiring diagram1987 ford f350 wiring diagram pictures.

1987 mustang wiring diagram1987 ford mustang alternator wiring diagram 1987 mustang alternator wiring87 mustang wiring diagram.

[DIAGRAM] Fox Body Mustang Wiring Diagram - MYDIAGRAM.ONLINE
[DIAGRAM] Fox Body Mustang Wiring Diagram - MYDIAGRAM.ONLINE

87 mustang wiring diagram

[diagram] ford mustang four cylinder engine wire diagram full version87 mustang wiring diagram Mustang faqwire schematic » wiring today.

Mustang engine wiring diagrammustang engine wiring diagram 87 mustang wiring diagram87 mustang wiring diagram.

Mustang FAQ - Wiring & Engine Info
Mustang FAQ - Wiring & Engine Info

87 mustang wiring diagram

87 mustang wiring diagramHow to install fox body mustang classic update wiring kit (87-93) 87 mustang wiring diagram87 mustang wiring diagram.

1987 ford mustang large format wiring diagrams manual[diagram] cluster wire diagram 1987 mustang 1987 ford f350 wiring diagram pictures2.3l efi wiring help.

87 Mustang Wiring Diagram - Wiring Diagram
87 Mustang Wiring Diagram - Wiring Diagram

1987 mustang alternator wiring

87 mustang wiring diagrammustang faq 1987-1993 mustang instrument cluster wiring diagram87 mustang wiring diagram.

87 mustang wiring diagram87 mustang wiring diagram 87 mustang wiring diagram1987 mustang wiring diagram.

How To Install Fox Body Mustang Classic Update Wiring Kit (87-93)
How To Install Fox Body Mustang Classic Update Wiring Kit (87-93)

1987 ford mustang wiring diagram database

87 mustang wiring diagramMustang faq 87 mustang wiring diagrammustang faq.

Wire schematic » wiring today87 mustang alternator wiring diagram pdf 87 mustang wiring diagram1987 ford mustang wiring diagram database.

1987 Mustang Wiring Diagram
1987 Mustang Wiring Diagram

[diagram] cluster wire diagram 1987 mustang

.

.

87 Mustang Wiring Diagram - Wiring Diagram
87 Mustang Wiring Diagram - Wiring Diagram
87 Mustang Wiring Diagram
87 Mustang Wiring Diagram
Mustang FAQ - Wiring & Engine Info
Mustang FAQ - Wiring & Engine Info
87 Mustang Wiring Diagram - Wiring Diagram
87 Mustang Wiring Diagram - Wiring Diagram
1987 Ford F350 Wiring Diagram Pictures - Wiring Diagram Sample
1987 Ford F350 Wiring Diagram Pictures - Wiring Diagram Sample