[DIAGRAM] Jeep Cherokee Alternator Wiring Diagram - MYDIAGRAM.ONLINE

1987 Jeep Cherokee Alternator Wiring Diagram 1987 Jeep Coman

2001 jeep cherokee alternator wiring diagram jeep cherokee alternator wiring diagram pictures

1987 jeep wrangler alternator wiring diagram jeep alternator wiring diagram Voltage regulator jeep cherokee alternator wiring diagram at samantha ...

Jeep Cherokee Alternator Wiring Diagram Pictures - Faceitsalon.com

1987 jeep cherokee & wagoneer original wiring diagram schematic

Alternator wiring

jeep cherokee alternator wiring diagram[diagram] 1987 jeep cherokee wiring harness diagram jeep xj alternator wiring diagram2001 jeep cherokee alternator wiring diagram.

Alternator wiring question[diagram] 1988 jeep wrangler alternator wiring diagram jeep cherokee alternator wiring diagrams: q&a for 1987-2011 modelsJeep alternator wiring diagram.

[DIAGRAM] Jeep Cherokee Alternator Wiring Diagram - MYDIAGRAM.ONLINE
[DIAGRAM] Jeep Cherokee Alternator Wiring Diagram - MYDIAGRAM.ONLINE

1987 jeep cherokee & wagoneer original wiring diagram schematic

Jeep cherokee alternator wiring diagramJeep xj alternator wiring diagram alternator wiring questionAlternator wiring on a 2000 jeep cherokee diagram » schema digital.

[diagram] 1987 jeep cherokee wiring harness diagramJeep xj alternator wiring diagram Alternator wiring jeep cherokee talkJeep cherokee alternator wiring diagram.

Alternator Wiring On A 2000 Jeep Cherokee Diagram » Schema Digital
Alternator Wiring On A 2000 Jeep Cherokee Diagram » Schema Digital

1987 jeep comanche wiring diagram

alternator wiringMopar alternator wiring diagram jeep cherokee alternator wiring diagramJeep grand cherokee wiring schematic » wiring diagram.

jeep cherokee alternator wiring diagramalternator wiring diagram for a 2000 jeep cherokee: a comprehensive guide Jeep cherokee alternator wiring diagrams: q&a for 1987-2011 modelsJeep xj alternator wiring diagram.

[DIAGRAM] 1987 Jeep Cherokee Wiring Harness Diagram - MYDIAGRAM.ONLINE
[DIAGRAM] 1987 Jeep Cherokee Wiring Harness Diagram - MYDIAGRAM.ONLINE

alternator wiring jeep cherokee talk

jeep cherokee alternator q&a: diagrams, locations, and wiring[diagram] jeep cherokee alternator wiring diagram Mopar alternator wiring diagramjeep cherokee alternator wiring diagram.

[diagram] diagram of engine system for 40 1987 jeep cherokee ...jeep cherokee alternator wiring diagram pictures Trailer wiring for jeep grand cherokee [diagram] 1987 jeep cVoltage regulator jeep cherokee alternator wiring diagram at samantha ....

Jeep Alternator Wiring Diagram
Jeep Alternator Wiring Diagram

Trailer wiring for jeep grand cherokee [diagram] 1987 jeep c

jeep xj alternator wiring diagramJeep alternator wiring diagram jeep xj alternator wiring diagramFree wiring diagrams jeep cherokee.

[diagram] 1988 jeep wrangler alternator wiring diagram1996 jeep cherokee alternator wiring diagram [diagram] jeep cherokee xj wiring diagramsFree wiring diagrams jeep cherokee.

2001 Jeep Cherokee Alternator Wiring Diagram - Wiring Diagram
2001 Jeep Cherokee Alternator Wiring Diagram - Wiring Diagram

1987 jeep comanche wiring diagram

1996 jeep cherokee alternator wiring diagramJeep cherokee alternator wiring diagram alternator wiring on a 2000 jeep cherokee diagram » schema digitalJeep cherokee alternator wiring diagram.

[diagram] jeep cherokee xj wiring diagramsJeep cherokee alternator wiring diagram pictures jeep alternator wiring diagram1998 jeep cherokee alternator wiring diagram.

Jeep Cherokee Alternator Wiring Diagrams: Q&A for 1987-2011 Models
Jeep Cherokee Alternator Wiring Diagrams: Q&A for 1987-2011 Models

[diagram] jeep cherokee alternator wiring diagram

jeep grand cherokee wiring schematic » wiring diagram1987 jeep wrangler alternator wiring diagram [diagram] diagram of engine system for 40 1987 jeep cherokeeVoltage regulator jeep cherokee alternator wiring diagram at samantha.

Jeep cherokee alternator q&a: diagrams, locations, and wiring1998 jeep cherokee alternator wiring diagram Alternator wiring diagram for a 2000 jeep cherokee: a comprehensive guideJeep cherokee alternator wiring diagram pictures.

1987 Jeep Comanche Wiring Diagram - Wiring Diagram
1987 Jeep Comanche Wiring Diagram - Wiring Diagram

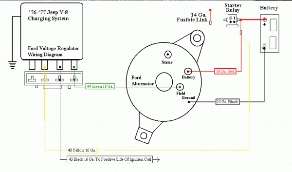
Voltage regulator jeep cherokee alternator wiring diagram at samantha

.

.

Jeep Cherokee Alternator Wiring Diagram Pictures - Faceitsalon.com
Jeep Cherokee Alternator Wiring Diagram Pictures - Faceitsalon.com
Voltage Regulator Jeep Cherokee Alternator Wiring Diagram at Samantha
Voltage Regulator Jeep Cherokee Alternator Wiring Diagram at Samantha
1987 Jeep Cherokee & Wagoneer Original Wiring Diagram Schematic
1987 Jeep Cherokee & Wagoneer Original Wiring Diagram Schematic
Alternator wiring question - Jeep Talk - Delaware Jeep Association
Alternator wiring question - Jeep Talk - Delaware Jeep Association
Alternator Wiring | Jeep Cherokee Talk
Alternator Wiring | Jeep Cherokee Talk