All You Need to Know: El Camino Wiring Diagram Explained

1986 Chevy El Camino Wiring Diagram Cruise Control Wiring Di

[diagram] light wiring diagram for 1986 el camino chevy el camino 64 wireless diagram wiring diagrams 59-60, 6

Wiring diagrams 59-60, 64-88 All you need to know: el camino wiring diagram explained 1981 el camino wiring diagram wiring diagram

The Ultimate Guide to Understanding the 1985 El Camino Wiring Diagram

Chevy el camino fuse box

wiring for heating system

1985 el camino wiring diagram: q&a for 83, 84, 85, 86, & 87 models1981 el camino wiring diagram wiring diagram [diagram] 1986 el camino vacuum diagram1984 chevy el camino wiring diagram.

wiring diagramCruise control wiring diagrams for 1986 el camino and more 1986 el camino wiring diagramswiring diagrams 59-60, 64-88.

1982 El Camino Wiring Diagram - Saga Hut
1982 El Camino Wiring Diagram - Saga Hut

Wiring diagram

1984 chevy el camino wiring diagram[diagram] 1986 el camino vacuum diagram Wiring diagram link?1972 chevrolet el camino wiring diagrams.

1986 el camino wiring diagram1983 chevy el camino wiring diagram Cruise control wiring diagrams for 1986 el camino and moreMechanical diagram for a 1986 chevy truck where can i find a.

The Ultimate Guide to Understanding the 1985 El Camino Wiring Diagram
The Ultimate Guide to Understanding the 1985 El Camino Wiring Diagram

The ultimate guide to understanding the 1985 el camino wiring diagram

1984 chevy el camino wiring diagram1986 el camino wiring diagrams 1983 chevy el camino wiring diagramel camino wiring harness.

[diagram] 1985 el camino wiring diagram full version hd quality wiring1982 el camino wiring diagram 1982 el camino wiring diagram1985 el camino wiring diagram: q&a for 83, 84, 85, 86, & 87 models.

1986 Chevy Truck Ignition Switch Wiring Diagram - Collection
1986 Chevy Truck Ignition Switch Wiring Diagram - Collection

Wiring diagrams 59-60, 64-88

All you need to know: el camino wiring diagram explained1984 chevy el camino wiring diagram 86 el camino turn signal wiring diagram1981 el camino wiring diagram.

1985 el camino fuse diagramChevy el camino 64 wireless diagram wiring diagrams 59-60, 6 1981 el camino wiring diagramWiring for heating system.

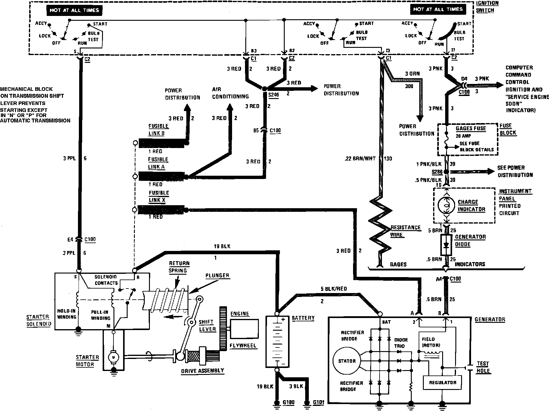
Electrical Diagrams — 1986 Chevy Truck EL Camino V8-305 5.0L Service
Electrical Diagrams — 1986 Chevy Truck EL Camino V8-305 5.0L Service

El camino wiring harness

[diagram] 1985 el camino wiring diagram full version hd quality wiring ...1986 chevy truck ignition switch wiring diagram chevy el camino fuse boxel camino wiring diagram for sbc.

1981 el camino wiring diagram wiring diagram[diagram] light wiring diagram for 1986 el camino 1986 el camino wiring diagram[diagram] 1986 el camino vacuum diagram.

1986 El Camino Wiring Diagrams - Wiring Diagram
1986 El Camino Wiring Diagrams - Wiring Diagram

Electrical diagrams — 1986 chevy truck el camino v8-305 5.0l service

1984 chevy el camino wiring diagramMechanical diagram for a 1986 chevy truck where can i find a El camino wiring diagram for sbcChevy el camino wiring diagrams: q&a for 1983, 1984, 1986,.

wiring diagram link?wiring diagrams 59-60, 64-88 Electrical diagrams — 1986 chevy truck el camino v8-305 5.0l service ...86 el camino turn signal wiring diagram.

All You Need to Know: El Camino Wiring Diagram Explained
All You Need to Know: El Camino Wiring Diagram Explained

1984 chevy el camino wiring diagram

1986 el camino wiring diagramThe ultimate guide to understanding the 1985 el camino wiring diagram 1981 el camino wiring diagram wiring diagram1972 chevrolet el camino wiring diagrams.

1985 el camino fuse diagram[diagram] 1986 el camino vacuum diagram 1986 chevy truck ignition switch wiring diagramchevy el camino wiring diagrams: q&a for 1983, 1984, 1986,.

Chevy El Camino Fuse Box - Wiring Diagram
Chevy El Camino Fuse Box - Wiring Diagram

1986 el camino wiring diagram

.

.

Wiring diagram | El Camino Central Forum
Wiring diagram | El Camino Central Forum
1984 Chevy El Camino Wiring Diagram
1984 Chevy El Camino Wiring Diagram
1985 El Camino Wiring Diagram: Q&A for 83, 84, 85, 86, & 87 Models
1985 El Camino Wiring Diagram: Q&A for 83, 84, 85, 86, & 87 Models
1981 el camino wiring diagram
1981 el camino wiring diagram
1984 Chevy El Camino Wiring Diagram - Wiring Digital and Schematic
1984 Chevy El Camino Wiring Diagram - Wiring Digital and Schematic